LabVIEW视觉

 找回密码
 注册会员
查看: 198|回复: 0

[面阵相机] ME2C-041-302GC(-P)大恒图像水星China GigE黑白工业相机

[复制链接]
  • TA的每日心情
    奋斗
    9 小时前
  • 签到天数: 3763 天

    连续签到: 14 天

    [LV.Master]2000FPS

     楼主| 发表于 2025-11-20 08:35:14 | 显示全部楼层 |阅读模式 来自:广东省东莞市 联通

    注册登陆后可查看附件和大图,以及购买相关内容

    您需要 登录 才可以下载或查看,没有账号?注册会员

    x
    ME2C-041-302GC(-P)大恒图像水星China GigE彩色工业相机
    水星二代China 40万像素GigE接口工业相机,面向国产化需求,性价比更高,多种分辨率、帧率可选、提供多种采集方式。
    水星二代China相机结构紧凑,外观小巧(29×29mm),内置优异的图像处理 (ISP) 算法, 提供多种采集方式,面向国产化需求。ME2C-041-302GC(-P)相机采用全局曝光的SonyIMX287 CMOS 感光芯片, 通过GigE数据接口进行图像数据的传输, 并集成I/O (GPIO) 接口, 提供线缆锁紧装置, 能稳定工作在各种恶劣环境下, 是极具市场竞争力、价格优势和高性价比的工业数字相机产品。
    image1.png
    水星ME2C-G(-P)系列工业相机

    应用领域
    工业检测、医疗、科研、教育等领域。

    功能特性
    l  两种触发类型:帧开始(Frame Start)/ 帧高速连拍开始(Frame Burst Start)
    l  两种曝光时间模式:标准曝光时间模式 / 极小曝光时间模式
    l  支持 Gamma、数字移位、黑电平
    l  查找表、参数组、计数器功能
    l  彩色相机支持环境光源预设、颜色转换、饱和度功能
    l  黑白相机支持像素抽样、Binning
    l  取消参数范围限制,可扩大曝光、增益、白平衡等参数的范围值
    l  支持调节包长、包间隔、预留带宽,优化多机同时采集传输
    l  提供 16KB 用户数据区,保存算法系数、参数配置等

    光谱曲线
    image2.png

    规格参数
    型号  
    ME2C-041-302GC
    ME2C-041-302GC-P
    ME2C-041-302GM
    ME2C-041-302GM-P
    品牌
    大恒图像
    系列
    水星ME2C-G(-P)
    分辨率
    720(H) × 540(V)
    传感器
    Sony 1/2.9" IMX287 Global shutter CMOS
    像元尺寸
    6.9μm × 6.9μm
    帧率
    302.3 fps
    模数转换精度
    12 bit
    像素深度
    8 bit,12 bit
    光谱
    彩色
    黑白
    图像数据格式
    Bayer RG8 / Bayer RG12
    Mono8 / Mono12
    信噪比
    43.0 dB
           42.99 dB
    43.1 dB
           43.03 dB
    曝光时间
    极小:1μs ~ 100μs,实际步长:1μs;标准:20μs ~ 1s,实际步长:1 行周期
    增益
    0dB ~ 24dB;默认值0dB,步长0.1dB
    Binning
    1×1,1×2,2×1,2×2
    像素抽样
    FPGA:1×1,1×2,2×1,2×2
    同步方式
    外触发,软触发
    工作方式
    单帧采集,连续采集,软触发采集,外触发采集
    镜像翻转
    水平镜像,垂直镜像
    I/O接口
    1 路光耦隔离输入,1 路光耦隔离输出,1 路双向 GPIO
    数据接口
    GigE
    GigE POE
    GigE
    GigE POE
    供电要求
    12VDC-10% ~ 24VDC+10% 电源,ME2C-G-P 支持 PoE 供电(兼容IEEE802.3af)
    额定功率
    2.10W @ 12VDC
    2.30W @ 12VDC  
    2.68W @ PoE
    2.10W @ 12VDC
    2.30W @ 12VDC  
    2.68W @ PoE
    工作温度
    0° C ~ +45° C
    存储温度
    -20°C ~ +70°C
    工作湿度
    10% ~ 80%
    镜头接口
    C/CS
    机械尺寸
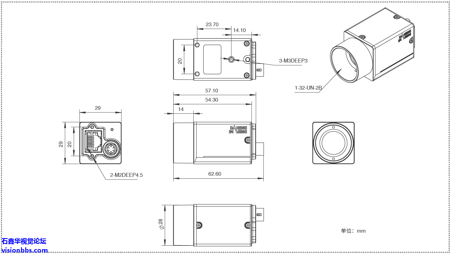
    ME2C-G:29(W) × 29(H) × 29(L) mm(不含镜头接口和连接件)  
    ME2C-G-P:29(W) × 29(H) × 40.3(L) mm(不含镜头接口和连接件)
    重量
    ME2C-G:65 g;ME2C-G-P:75 g
    软件
    支持 HALCON,MERLIC,VisionPro,LabVIEW 等第三方软件
    操作系统
    32bit / 64bit Windows,Linux,Mac OS
    认证及标准
    CE,RoHS,FCC,ICES,UKCA,USB3  Vision®,GenICam®

    IO接口
    image3.png

    机械尺寸
    image4.png
    ME2C-041-302GM/C
    image5.png
    ME2C-041-302GM/C-P
    回复

    使用道具 举报

    您需要登录后才可以回帖 登录 | 注册会员

    本版积分规则

    LabVIEW HALCON图像处理入门教程(24.09)
    石鑫华机器视觉与LabVIEW Vision图像处理PDF+视频教程11种全套
    《LabVIEW Vision函数实例详解2020-2024》教程-NI Vision所有函数使用方法介绍,基于NI VISION2020,兼容VDM21/22/23/24

    QQ|LabVIEW视觉 |网站地图

    GMT+8, 2026-1-5 19:51

    Powered by Discuz! X3.4

    © 2001-2026 Discuz! Team.

    快速回复 返回顶部 返回列表