LabVIEW视觉

 找回密码
 注册会员
查看: 234|回复: 0

[面阵相机] MER2-630-60U3C-W90大恒图像水星USB3.0彩色90度转角工业相机

[复制链接]
  • TA的每日心情

    昨天 08:37
  • 签到天数: 3764 天

    连续签到: 15 天

    [LV.Master]2000FPS

     楼主| 发表于 2025-11-27 16:31:31 | 显示全部楼层 |阅读模式 来自:广东省东莞市 联通

    注册登陆后可查看附件和大图,以及购买相关内容

    您需要 登录 才可以下载或查看,没有账号?注册会员

    x
    MER2-630-60U3C-W90大恒图像水星USB3.0彩色90度转角工业相机
    水星二代630万像素90度转角工业相机
    水星二代90度转角相机结构紧凑, 外形尺寸为29×29×58.8mm, 配有90度转角镜头接口, 安装更为灵活。 相机内置优异的图像处理(ISP) 算法, 提供多种采集方式。MER2-630-60U3C-W90相机采用行曝光的Sony IMX178 CMOS感光芯片, 通过USB3.0数据接口进行图像数据的传输,并集成I/O (GPIO) 接口, 提供线缆锁紧装置, 能稳定工作在各种恶劣环境下, 是高可靠性的工业数字相机产品。
    image1.png
    水星MER2-U3-W90系列工业相机
    应用领域
    工业检测、医疗、科研、教育等领域。

    功能特性
    ■    配有 90 度转角镜头接口,用户在条件苛刻的安装空间下可以实现转角安装
    ■    触发类型:帧开始(Frame Start)/ 帧高速连拍开始(Frame Burst Start)
    ■    像素抽样(Decimation)、Binning、数字移位和黑电平功能
    ■    支持 Gamma 校正,优化采集图像的亮度
    ■    支持全局复位释放曝光模式(GRR),可有效避免拖影
    ■    彩色相机支持环境光源预设、颜色转换、饱和度功能
    ■    彩色型号支持带噪声抑制的锐化功能,设置锐化噪声抑制参数可以降低平坦区域的噪声
    ■    黑白相机支持锐化和降噪功能
    ■    查找表、参数组、计数器、定时器
    ■    支持取消参数范围限制,可扩大曝光、增益等参数的范围值
    ■    提供 16KB 用户数据区,保存算法系数、参数配置等

    光谱曲线

                                   
    登录/注册后可看大图

    规格参数
    型号  
    MER2-630-60U3C-W90
    MER2-630-60U3C-W90-S90
    MER2-630-60U3M-W90
    MER2-630-60U3M-W90-S90
    光谱
    彩色
    黑白
    像素格式
    Bayer RG8 / Bayer RG10 / Mono8 / Mono10
    Mono8 / Mono10
    信噪比
    40.19 dB
    40.18 dB
    品牌
    大恒图像
    分辨率
    3088(H) × 2064(V)
    传感器
    Sony 1/1.8“ IMX178 Rolling shutter CMOS
    像元尺寸
    2.4μm × 2.4μm
    帧率
    60 fps
    模数转换精度
    10 bit
    像素深度
    8 bit,10 bit
    曝光时间
    标准:8μs ~ 1s,实际步长:1 行周期
    增益
    0dB ~ 24dB;默认值0dB,步长0.1dB
    Binning
    1×1,1×2,1×4,2×1,2×2,2×4,4×1,4×2,4×4
    像素抽样
    FPGA:1×1,1×2,1×4,2×1,2×2,2×4,4×1,4×2,4×4
    同步方式
    外触发,软触发
    工作方式
    单帧采集,连续采集,软触发采集,外触发采集
    镜像翻转
    水平镜像,垂直镜像
    I/O接口
    1 路光耦隔离输入,1路光耦隔离输出,2 路双向 GPIO
    数据接口
    USB3.0
    供电要求
    USB3.0接口供电
    额定功率
    1.82 W @ 5 VDC
    工作温度
    0° C ~ +45° C
    存储温度
    -20°C ~ +70°C
    工作湿度
    10% ~ 80%
    镜头接口
    C / CS
    机械尺寸
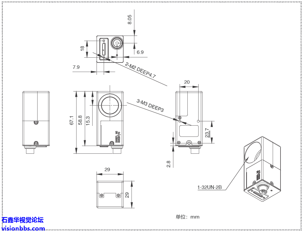
    29(W) ×29(H) × 58.8(L) mm(不含镜头接口和连接件)
    重量
    78 g
    软件
    支持 HALCON,MERLIC,VisionPro,LabVIEW 等第三方软件
    操作系统
    32bit / 64bit Windows,Linux,Android,ARMv7,ARMv8
    认证及标准
    CE,RoHS,FCC,ICES,UKCA,USB3  Vision®,GenICam®

    IO接口

                                   
    登录/注册后可看大图
    传感器方向
    image4.png
    机械尺寸
    image5.png
    MER2-630-60U3M/C-W90
    image6.png
    MER2-630-60U3M/C-W90-S90
    回复

    使用道具 举报

    您需要登录后才可以回帖 登录 | 注册会员

    本版积分规则

    LabVIEW HALCON图像处理入门教程(24.09)
    石鑫华机器视觉与LabVIEW Vision图像处理PDF+视频教程11种全套
    《LabVIEW Vision函数实例详解2020-2024》教程-NI Vision所有函数使用方法介绍,基于NI VISION2020,兼容VDM21/22/23/24

    QQ|LabVIEW视觉 |网站地图

    GMT+8, 2026-1-7 02:32

    Powered by Discuz! X3.4

    © 2001-2026 Discuz! Team.

    快速回复 返回顶部 返回列表