LabVIEW视觉

 找回密码
 注册会员
查看: 6|回复: 0

[面阵相机] MARS-801-190X2M大恒图像火星CXP高速工业相机

[复制链接]
  • TA的每日心情
    开心
    4 小时前
  • 签到天数: 3815 天

    连续签到: 8 天

    [LV.Master]2000FPS

     楼主| 发表于 2 小时前 | 显示全部楼层 |阅读模式 来自:广东省东莞市 联通

    注册登陆后可查看附件和大图,以及购买相关内容

    您需要 登录 才可以下载或查看,没有账号?注册会员

    x
    MARS-801-190X2M大恒图像火星CXP高速工业相机
    火星系列800万像素CoaXPress2.0 接口黑白工业相机
    MARS-801-190X2M相机采用全局曝光的 CMOS 感光芯片, 通过CXP2.0数据接口进行图像数据的高速传输,最大传输速率可达12.5Gbit/s,支持PoCXP供电,能稳定工作在各种恶劣环境下,是高可靠性、高传输速度、高图像质量的工业数字相机产品。

                                   
    登录/注册后可看大图

    火星MARS-X2系列

    应用领域
    消费电子、工业检测、医疗、科研、教育等领域。

    产品特点
    ■    序列控制功能支持曝光、增益等参数配置
    ■    彩色相机支持环境光源预设、颜色转换、饱和度、色相功能
    ■    亮度、对比度、Gamma、锐化、降噪功能
    ■    自动黑电平、查找表、参数组、计数器和定时器功能
    ■    支持大恒图像以及第三方图像采集卡

    规格参数
    型号  
    MARS-801-190X2C
    MARS-801-190X2M
    品牌
    大恒图像
    系列
    火星MARS-X2
    分辨率
    2848(H) × 2848(V)
    传感器
    SONY 2/3” IMX536  Global shutter CMOS
    靶面尺寸
    Diagonal 11.1  mm (Type 2/3)
    像元尺寸
    2.74μm × 2.74μm
    帧率
    190 fps
    模数转换精度
    10 bit12 bit
    像素深度
    8 bit10bit12 bit
    光谱
    彩色
    黑白
    图像数据格式
    Bayer RG8 /  Bayer RG10 / Bayer RG12
    Mono8 / Mono10  / Mono12
    信噪比
    39.92 dB
    39.86 dB
    曝光时间
    极小:1μs ~ 2.4μs,实际步长:0.1μs  
    标准:3μs~1s,实际步长:linetime
    增益
    数字增益:0dB ~ 16dB;默认值0dB,步长0.1dB  
    模拟增益:10bit1×;12bit1×~12.19×;默认值1×
    Binning
    不支持
    2×2
    像素抽样
    2×2
    同步方式
    外触发,软触发
    工作方式
    单帧采集,连续采集,软触发采集,外触发采集,CXP触发采集
    镜像翻转
    水平镜像,垂直镜像
    I/O接口
    1 路光耦隔离输入,1 路光耦隔离输出,1 路双向 GPIO1 RS232
    数据接口
    CXP-12 × 2 (HD-BNC)
    供电要求
    PoCXP供电
    功率
    5.5W @ PoCXP
    5.3W @ PoCXP
    工作温度
    0°C ~ +45°C
    存储温度
    -20°C ~ +70°C
    工作湿度
    10% ~ 80%
    散热方式
    无主动散热,可配装散热鳍
    镜头接口
    C
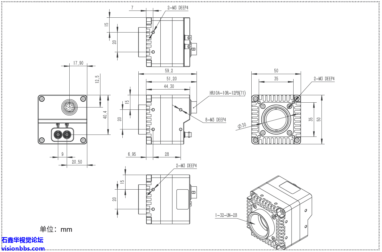
    机械尺寸
    50(W) × 50(H) × 59.2(L) mm
    重量
    183 g
    软件
    支持大恒图像采集卡以及第三方图像采集卡配套软件
    操作系统
    Win7 / Win8 /  Win10 / Win11
    认证及标准
    CERoHSFCCICESUKCACoaXPress2.0GenICam

    光谱曲线

                                   
    登录/注册后可看大图

    IO接口

                                   
    登录/注册后可看大图

    机械尺寸

                                   
    登录/注册后可看大图

    回复

    使用道具 举报

    您需要登录后才可以回帖 登录 | 注册会员

    本版积分规则

    LabVIEW HALCON图像处理入门教程(24.09)
    石鑫华机器视觉与LabVIEW Vision图像处理PDF+视频教程11种全套
    《LabVIEW Vision函数实例详解2020-2024》教程-NI Vision所有函数使用方法介绍,基于NI VISION2020,兼容VDM21/22/23/24

    QQ|LabVIEW视觉 |网站地图

    GMT+8, 2026-3-4 13:04

    Powered by Discuz! X3.4

    © 2001-2026 Discuz! Team.

    快速回复 返回顶部 返回列表