TA的每日心情 | 郁闷 9 小时前 |
|---|
签到天数: 3836 天 连续签到: 29 天 [LV.Master]2000FPS
|
注册登陆后可查看附件和大图,以及购买相关内容
您需要 登录 才可以下载或查看,没有账号?注册会员
x
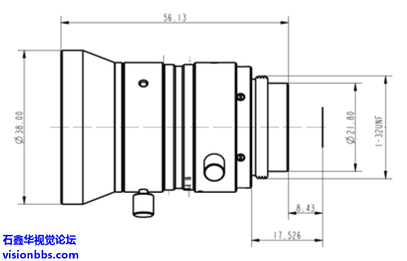
HN-P-0824-10M-C2/3大恒图像1000万8mm工业镜头大恒图像HN-P-10M系列镜头 HN-P-0824-10M-C2/3
n 8mm 焦距 n 2/3" 靶面尺寸 n 1000 万像素 n F2.4 大光圈 n 超低光学畸变 n 小型化结构
产品特点n 专为机器视觉应用而设计 n 可适用于最高1000万像素分辨率的相机 n 2.4um小像元 n 大光圈设计 n 超低光学畸变 n 小型化结构
规格参数
机械尺寸
|
|