LabVIEW视觉

 找回密码
 注册会员
查看: 552|回复: 0

[面阵相机] MARS-1231-46G5C-P大恒图像火星5GigE工业相机

[复制链接]
  • TA的每日心情
    慵懒
    2 小时前
  • 签到天数: 3867 天

    连续签到: 60 天

    [LV.Master]2000FPS

     楼主| 发表于 2025-9-23 11:59:14 | 显示全部楼层 |阅读模式 来自:广东省东莞市 联通

    注册登陆后可查看附件和大图,以及购买相关内容

    您需要 登录 才可以下载或查看,没有账号?注册会员

    x
    MARS-1231-46G5C-P大恒图像火星5GigE工业相机
    火星系列1200万像素5GigE彩色工业相机
    火星MARS-G5-P 系列相机是大恒图像推出的高传输带宽工业数字相机,具有高分辨率、高清晰度、低噪声等特点。MARS-1231-46G5C-P 采用Sony IMX253 CMOS 感光芯片,通过5GigE 数据接口进行图像数据的传输,最大传输速率可达5Gbit/s,支持Power over Ethernet,并集成I/O (GPIO) 接口,提供线缆锁紧装置,能稳定工作在各种恶劣环境下,是高可靠性、高性价比的工业数字相机产品。
    image1.png
    火星MARS-G-P系列
    5GigE在一些领域又称为5GBASE-T,是NBASE-T技术支持的2种速度的一种,另一种为2.5GBASE-T。NBASE-T技术目前已经成为IEEE802.3bz标准的基础。
    GigE Vision 自2006 年发布以来一直采用千兆网作为传输接口,随着Sensor 分辨率和帧率的逐渐增大,
    千兆网的传输速度已经逐渐成为了制约GigE Vision 相机瓶颈。MARS-G5-P 相机的传输部分基于NBASE-T 技术,最高传输速率达到5Gbit/s,并支持速率切换为1Gbit/s 和2.5Gbit/s,大大提升网络相机传输速度,拓展了网络相机的应用领域。
    由于传输速度大大提升,与千兆网相机相比,5GigE 相机的功耗明显增大,MARS-G5-P 相机采用了独特的散热技术(被动散热技术),使得相机在有限的体积内最大限度的发挥传输能力,相机可靠性高,环境适应性强。
    利用CAT-5e 及以上等级网线5GBASE-T依然能够传输100m 的距离,与传统千兆网并无差别,因此用户无需购买新的网线。
    当前PC 一般都不支持5GigE 传输接口,因此用户需要单独购买5GigE 的网卡,推荐型号为Intel X550和IOI GE10-PCIE4XG301。网卡一般要求PC 的PCIE 插槽为x4 gen3。Intel X550 网卡只在Win10 64 位下支持5GigE 和2.5GigE。


    应用领域
    工业检测、医疗、科研、教育及安防等领域。

    产品特点
    l  自动增益、自动曝光、ROI
    l  像素抽样
    l  黑电平
    l  坏点校正
    l  参数组
    l  支持 1Gbit/s、2.5Gbit/s 和5Gbit/s 不同传输速率切换
    l  坚固的全金属外壳和线缆锁紧装置

    规格参数
    型号  
    MARS-1231-46G5C-P
    MARS-1231-46G5M-P
    品牌
    大恒图像
    系列
    火星MARS-5G-P
    分辨率
    4096(H) ×  2160(V)
    传感器
    SONY 1"  IMX267 Global shutter CMOS
    像元尺寸
    3.45μm ×  3.45μm
    帧率
    47fps
    模数转换精度
    10 bit
    像素深度
    8 bit10 bit
    光谱
    彩色
    黑白
    图像数据格式
    Bayer RG8 /  Bayer RG10
    Mono8 / Mono10
    信噪比
    40.79 dB
    40.68 dB
    曝光时间
    21μs ~ 1s
    增益
    0dB ~ 24dB
    Binning
    不支持
    像素抽样
    不支持
    同步方式
    外触发,软触发
    工作方式
    连续采集,软触发采集,外触发采集
    镜像翻转
    不支持
    I/O接口
    1 路光耦隔离输入,1 路光耦隔离输出,2 路双向 GPIO
    数据接口
    5GigE PoE
    供电要求
    PoEPower over Ethernet,兼容 IEEE802.3af)或12VDC-10% ~ 24VDC+10% 电源
    功率
    < 9 W @ 12  VDC< 10.5 W @ PoE
    工作温度
    0° C ~ +45° C
    存储温度
    -20°C ~ +70°C
    工作湿度
    10% ~ 80%
    镜头接口
    C
    机械尺寸
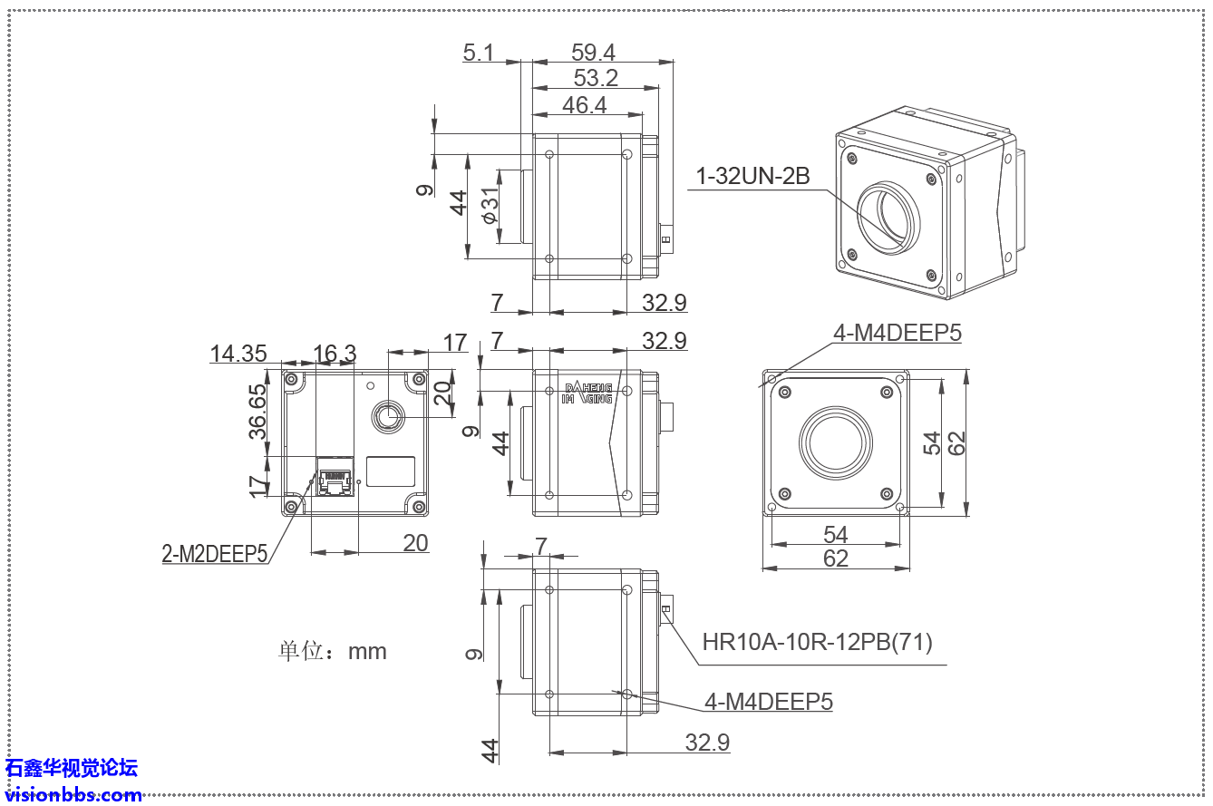
    62(W) × 62(H)  × 53.2(L) mm(不含镜头接口和连接件)
    重量
    305 g
    软件
    支持 HALCONMERLICVisionProLabVIEW 等第三方软件
    操作系统
    32bit / 64bit  WindowsLinuxMac OS
    认证及标准
    CERoHSGigE Vision®GenICam®

    光谱曲线
    image2.png

    IO接口
    image3.png

    机械尺寸
    image4.png
    MARS-1231-46G5MC-P
    回复

    使用道具 举报

    您需要登录后才可以回帖 登录 | 注册会员

    本版积分规则

    LabVIEW HALCON图像处理入门教程(25.08)
    石鑫华机器视觉与LabVIEW Vision图像处理PDF+视频教程11种全套
    《LabVIEW Vision函数实例详解2020-2024》教程-NI Vision所有函数使用方法介绍,基于NI VISION2020,兼容VDM21/22/23/24

    QQ|LabVIEW视觉 |网站地图

    GMT+8, 2026-4-25 11:46

    Powered by Discuz! X3.4

    © 2001-2026 Discuz! Team.

    快速回复 返回顶部 返回列表