LabVIEW视觉

 找回密码
 注册会员
查看: 172|回复: 0

[面阵相机] ME2P-171-66GC-P大恒图像水星二代Plus GigEVision彩色POE工业相机

[复制链接]
  • TA的每日心情
    奋斗
    昨天 09:17
  • 签到天数: 3713 天

    连续签到: 40 天

    [LV.Master]2000FPS

     楼主| 发表于 2025-10-24 14:41:05 | 显示全部楼层 |阅读模式 来自:广东省东莞市 联通

    注册登陆后可查看附件和大图,以及购买相关内容

    您需要 登录 才可以下载或查看,没有账号?注册会员

    x
    ME2P-171-66GC-P大恒图像水星二代Plus GigEVision彩色POE工业相机
    水星二代Plus 170万像素千兆网接口面阵相机
    水星二代Plus相机结构紧凑,外观小巧,内置优异的图像处理( ISP) 算法, 提供多种采集方式。 ME2P-171-66GC-P相机采用全局曝光的Sony IMX432 CMOS 感光芯片, 通过GigE数据接口进行图像数据的传输,并集成I/O (GPIO) 接口,提供线缆锁紧装置, 且相机四面设有螺孔,能够灵活安装并稳定工作在各种恶劣环境下,是高可靠性的工业数字相机产品。
    image1.png
    水星二代PlusME2P-G-P系列POE工业相机

    应用领域
    工业检测、医疗、科研、教育等领域。

    功能特性
    l  查找表、参数组功能
    l  像素抽样(Decimation)、Binning、数字移位、Gamma 功能
    l  取消参数范围限制,可扩大曝光、增益、白平衡等参数的范围值
    l  16KB 用户数据区,保存算法系数、参数配置等

    光谱曲线
    image2.jpeg

    规格参数
    型号  
    ME2P-171-66GC-P
    ME2P-171-66GM-P
    品牌
    大恒图像
    系列
    水星ME2P-G-P
    分辨率
    1608(H) × 1104(V)
    传感器
    Sony 1.1" IMX432 Global shutter CMOS
    像元尺寸
    9μm × 9μm
    帧率
    默认:60.3fps @ 1608 × 1104,可以调整包长到 8192 并且预留带宽到 5,帧率达到 66.26fps  
    突发采集高速模式下,采集帧率可达98.16fps
    模数转换精度
    12 bit
    像素深度
    8 bit,12 bitt
    光谱
    彩色
    黑白
    图像数据格式
    Mono8 / Mono12 / Mono12Packed  
    Bayer RG8 / Bayer RG12 / RGB8 / BGR8
    Mono8 / Mono12 / Mono12Packed
    信噪比
    48.54 dB
    48.97 dB
    曝光时间
    极小:1μs ~ 5μs,实际步长:0.1μs;标准:9μs ~ 1s,实际步长:1 行周期
    增益
    0dB ~ 24dB;默认值0dB,步长0.1dB
    Binning
    FPGA:1×1,1×2,1×4,2×1,2×2,2×4,4×1,4×2,4×4
    像素抽样
    FPGA:1×1,1×2,1×4,2×1,2×2,2×4,4×1,4×2,4×4
    同步方式
    外触发,软触发
    工作方式
    单帧采集,连续采集,软触发采集,外触发采集
    镜像翻转
    水平镜像,垂直镜像
    I/O接口
    1 路光耦隔离输入,1 路光耦隔离输出,2 路双向 GPIO
    数据接口
    GigE PoE
    供电要求
    PoE(Power over Ethernet,兼容 IEEE802.3af)或12VDC-10% ~ 24VDC+10% 电源
    额定功率
    4.65 W @ 12 VDC;5.09 W @ PoE
    工作温度
    0° C ~ +45° C
    存储温度
    -20°C ~ +70°C
    工作湿度
    10% ~ 80%
    镜头接口
    C/CS
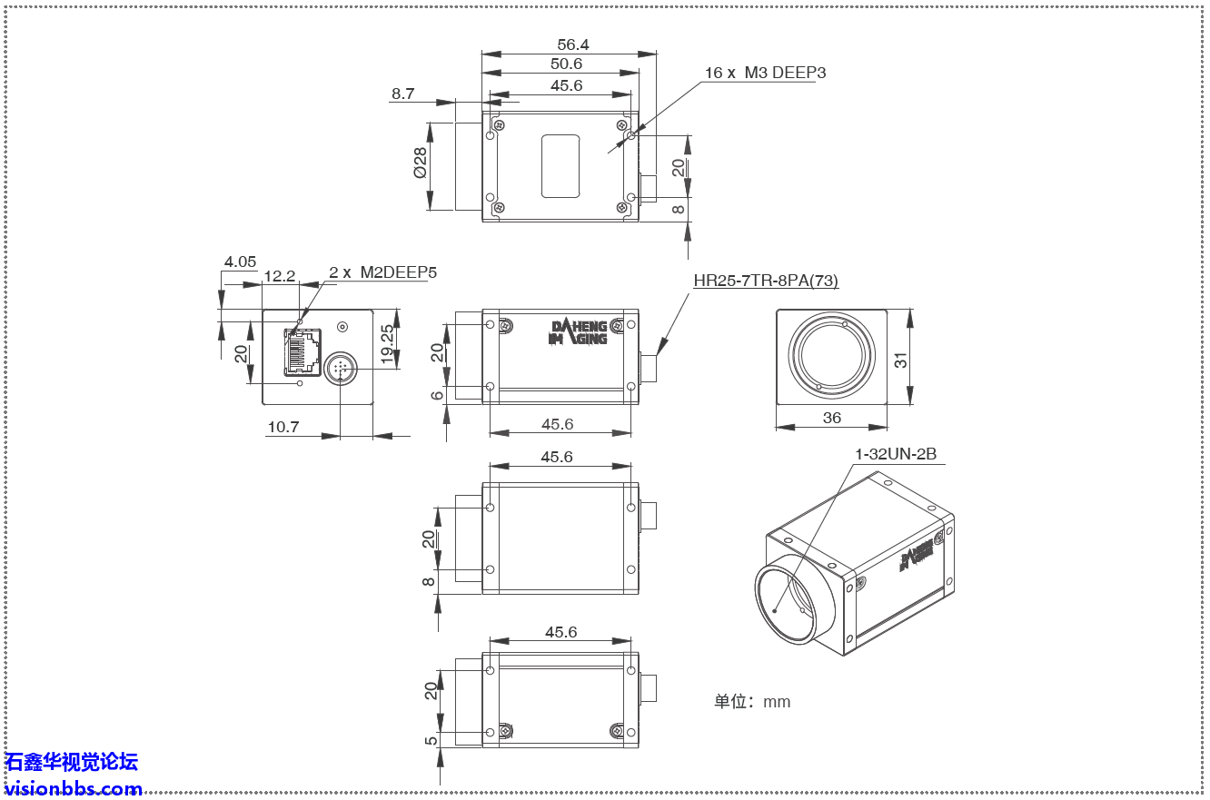
    机械尺寸
    36(W) × 31(H) × 50.6(L) mm(不含镜头接口和连接件)
    重量
    75 g
    软件
    支持 HALCON,MERLIC,VisionPro,LabVIEW 等第三方软件
    操作系统
    32bit / 64bit Windows,Linux,Mac OS
    认证及标准
    CE,RoHS,FCC,ICES,UKCA,GigE  Vision®,GenICam®

    IO接口
    image3.png

    机械尺寸
    image4.png
    回复

    使用道具 举报

    您需要登录后才可以回帖 登录 | 注册会员

    本版积分规则

    LabVIEW HALCON图像处理入门教程(24.09)
    石鑫华机器视觉与LabVIEW Vision图像处理PDF+视频教程11种全套
    《LabVIEW Vision函数实例详解2020-2024》教程-NI Vision所有函数使用方法介绍,基于NI VISION2020,兼容VDM21/22/23/24

    QQ|LabVIEW视觉 |网站地图

    GMT+8, 2025-11-16 00:29

    Powered by Discuz! X3.4

    © 2001-2025 Discuz! Team.

    快速回复 返回顶部 返回列表