LabVIEW视觉

 找回密码
 注册会员
查看: 486|回复: 0

[面阵相机] MER2-630-18GC-W90-S90大恒图像水星千兆网彩色工业相机

[复制链接]
  • TA的每日心情
    奋斗
    9 小时前
  • 签到天数: 3865 天

    连续签到: 58 天

    [LV.Master]2000FPS

     楼主| 发表于 2025-12-16 19:12:32 | 显示全部楼层 |阅读模式 来自:广东省东莞市 联通

    注册登陆后可查看附件和大图,以及购买相关内容

    您需要 登录 才可以下载或查看,没有账号?注册会员

    x
    MER2-630-18GC-W90-S90大恒图像水星千兆网彩色工业相机
    水星二代630万像素90度转角工业相机
    大恒图像水星二代相机结构紧凑,外观小巧,内置优异的图像处理 (ISP) 算法。MER2-630-18GC-W90-S90型号相机采用行曝光的Sony IMX178CMOS 感光芯片, 通过GigE数据接口进行图像数据的传输,并集成I/O (GPIO) 接口, 提供线缆锁紧装置, 且相机sensor面与数据接口面成90度角,能够灵活安装并稳定工作在各种苛刻环境下, 是高可靠性的工业数字相机产品。
    image1.png
    水星MER2-G(-P)系列工业相机
    应用领域
    工业检测、医疗、科研、教育等领域。

    功能特性
    ■    自动增益、自动曝光、ROI
    ■    支持全局复位释放(GRR)曝光模式 , 可有效避免拖影
    ■    像素合并(Binning)、像素抽样(Decimation)
    ■    查找表、参数组、定时器、计数器
    ■    Gamma、黑电平、数字移位、锐化
    ■    彩色相机支持颜色转换、环境光源预设、白平衡、饱和度功能
    ■    黑白相机支持降噪
    ■    取消参数范围限制控制
    ■    16K用户数据区

    光谱曲线
    image2.png

    规格参数
    型号  
    MER2-630-18GC-W90-S90
    MER2-630-18GM-W90-S90
    信噪比
    39.65 dB
    39.97 dB
    光谱
    彩色
    黑白
    像素格式
    Bayer RG8 / Bayer RG12
    Mono8 / Mono12
    品牌
    大恒图像
    分辨率
    3088(H) × 2064(V)
    传感器
    Sony 1/1.8“ IMX178 Rolling shutter CMOS
    像元尺寸
    2.4μm × 2.4μm
    帧率
    18.45 fps
    模数转换精度
    12 bit
    像素深度
    8 bit,12 bit
    曝光时间
    标准:19μs ~ 1s,GRR:38μs  ~ 0.2s,实际步长:1 行周期
    增益
    0dB ~ 24dB;默认值0dB,步长0.1dB
    Binning
    1×1,1×2,2×1,2×2
    像素抽样
    FPGA:1×1,1×2,2×1,2×2
    同步方式
    外触发,软触发
    工作方式
    单帧采集,连续采集,软触发采集,外触发采集
    镜像翻转
    水平镜像,垂直镜像
    I/O接口
    1 路光耦隔离输入,1路光耦隔离输出,2 路双向 GPIO
    数据接口
    MER2-G:GigE接口;MER2-G-P:GigE PoE接口
    供电要求
    12VDC-10% ~ 24VDC+10% 电源
    额定功率
    2.93W @ 12VDC
    工作温度
    0° C ~ +45° C
    存储温度
    -20°C ~ +70°C
    工作湿度
    10% ~ 80%
    镜头接口
    C / CS
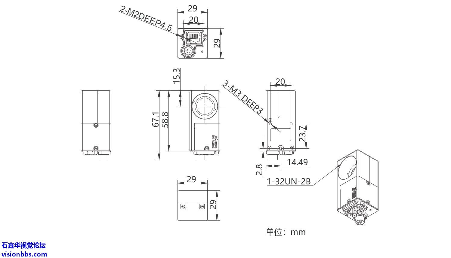
    机械尺寸
    29(W) × 29(H) × 58.8(L) mm(含 C接口,不含 I/O接口)
    重量
    81 g
    软件
    支持 HALCON,MERLIC,VisionPro,LabVIEW 等第三方软件
    操作系统
    32bit / 64bit Windows,Linux,Mac OS
    认证及标准
    CE,RoHS,FCC,ICES,UKCA,UL,GigE Vision®,GenICam®

    IO接口
    image3.png

    Sensor方向
    image4.png
    MER2-W90-S90
    机械尺寸
    image5.png

    回复

    使用道具 举报

    您需要登录后才可以回帖 登录 | 注册会员

    本版积分规则

    LabVIEW HALCON图像处理入门教程(25.08)
    石鑫华机器视觉与LabVIEW Vision图像处理PDF+视频教程11种全套
    《LabVIEW Vision函数实例详解2020-2024》教程-NI Vision所有函数使用方法介绍,基于NI VISION2020,兼容VDM21/22/23/24

    QQ|LabVIEW视觉 |网站地图

    GMT+8, 2026-4-23 17:03

    Powered by Discuz! X3.4

    © 2001-2026 Discuz! Team.

    快速回复 返回顶部 返回列表